• Ubicación Ituzaingo.
  • Teléfono (011) 7526-7934
  • Celular 11-3071-2712
  • Contáctenos
SJR Mecanizados
  • Inicio
  • Quienes Somos
  • Automatizaciones
    • Actualización de tableros eléctricos
    • Actualización y desarrollo de planos eléctricos
    • Implementación de Dispositivos de seguridad
    • Especialistas en programación de PLC Allen Bradley
    • Programación de HMI Allen Bradley
    • Robótica industrial para automotriz
    • Variadores de frecuencia
  • Insumos
  • Mantenimiento
  • Clientes
  • Trabajos

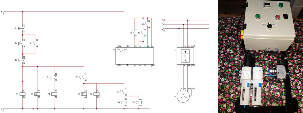
Actualización y desarrollo de planos eléctricos

Thumb

Insumos para

Integraciones de Automatizaciones

Thumb

En Hidráulica

Trabajamos con productos de primera marca para la realización de equipos de control y fuerza.

En Hidráulica

Thumb

En Electricidad

Todo de primera línea.

En Electricidad

Thumb

En Neumática

Trabajamos con toda la gama de FESTO y MICRO.
Toda la línea de productos de primera calidad.

En Neumática

Thumb

En Alimentadores de chapa

Realización de actualización de hardware, realización de mantenimiento preventivo, correctivo y predictivo.
Implementación de mejoras y fabricación de equipos para la automatización de prensas y balancines.

En Alimentadores de chapa

Thumb

En Mejoras de procesos

Elaboración de todo tipo de trabajos y proyectos de mejora en procesos productivos.

En Mejoras de procesos

Thumb

En Maquinas Herramientas

Realización y diseños de maquinas herramientas.

En Maquinas Herramientas

Thumb

En Electrónica

Utilización de electrónica de primera calidad.

En Electrónica

Thumb

En Movimiento

Utilización de toda la marca LINEARTEC.

En Movimiento

Thumb

En Equipamiento CNC

Componentes para la fabricación de equipos de corte o fresado CNC.

En Equipamiento CNC

Contacto

  • Email mecanizados@sjrmecanizados.com

  • Ituzaingo - Buenos Aires

Llamanos

(011) 7526-7934

Automatizaciones

  • - Actualización de tableros eléctricos
  • - Actualización y desarrollo de planos eléctricos
  • - Implementación de Dispositivos de seguridad
  • - Especialistas en programación de PLC Allen Bradley
  • - Programación de HMI Allen Bradley
  • Variadores de frecuencia
  • - Variadores de frecuencia

Horarios de atención

  • Lunes a Viernes :
    de 08 a 17 horas
  • Sábados :
    de 08 a 12 horas
  • Domingo :
    Cerrado

Copyright © 2022 | SJR MECANIZADOS